SCRUBBER MIST ELIMINATOR

PROJECT INFORMATION

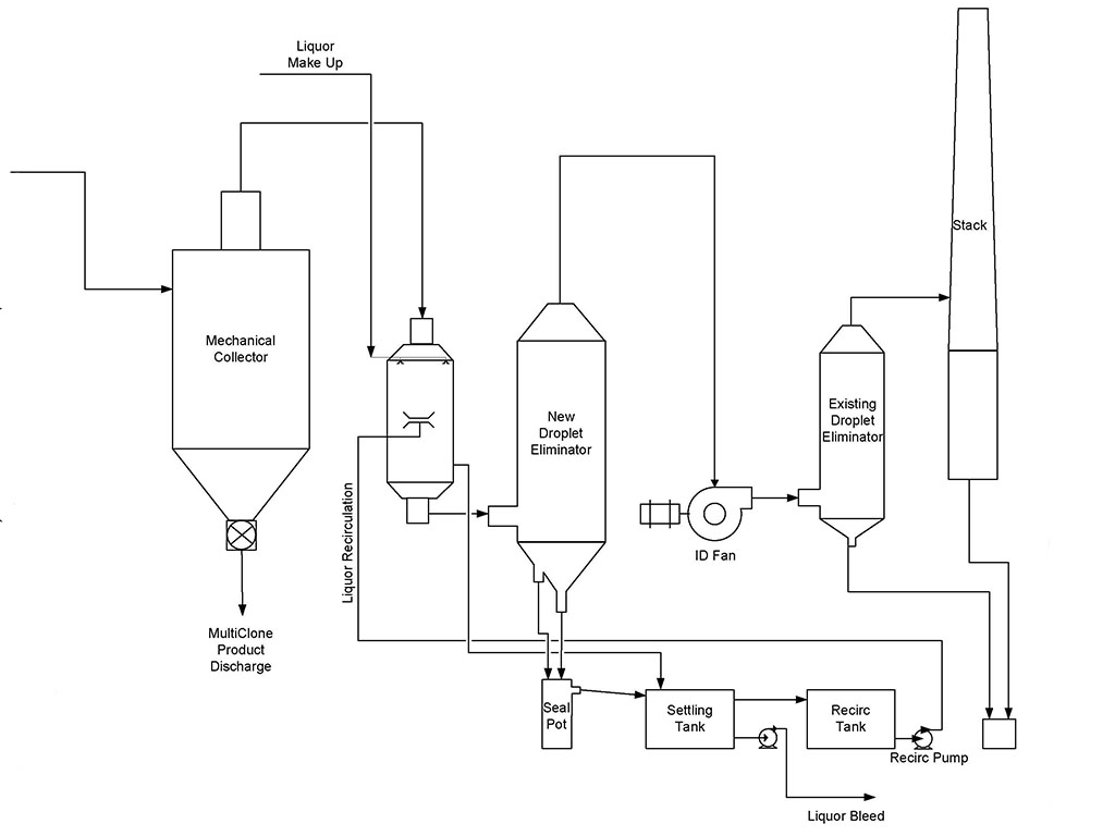
Tronox operate a Fluid Bed Product Dryer for the drying of synthetic rutile at their Chandala site. The heat source is a natural gas fired hot gas generator. Gas is exhausted from the dryer chamber through a mechanical collector and then wet scrubber before discharge into a stack. There is only a single dryer and therefore reliability is paramount to achieving production targets.

The hot gas generator was upgraded in the Tronox shut from June through July 2007. See Fluid Bed Hot Gas Generator. The dryer back end including the draught fan did not have the capacity to exhaust the gas from the hot gas generator when operated at the uprated output. The installed fan had also suffered from build up amd out of balance.

Tronox took the decision to upgrade the scrubber back end during the shut of October to November 2010. An mist eliminator was installed after the scrubber ahead of a new ID fan. The new plant was designed to fit on a skid for interfacing with the existing steelwork, scrubber outlet and fan inlet.

MIST ELIMINATOR AND ID FAN SKID DESIGN

We have had an involvement with the dryer over a long period time. Our Process Flow Diagram is linked to a model which has analysed flow parameters prior to the Hot Gas Generator upgrade. The model was also used to restrict gas flow with the old draught plant. The boundary conditions were well known for the design of the new back end draught plant.

Replacement of equipment can only take place during the planned plant shut. To achieve this the back end plant was designed such that it could be fully works assembled on a skid and then lifted into position within the tight time constraints.

Scale 3D CAD models of the existing system and of the new skid design were then generated. These were checked against a 3D laser scan of the existing plant.  This gave Tronox confidence that the new equipment could be installed within the tight time frame. A full set of drawings for the new mist eliminator and induced draught fan was undertaken by us.

Our scope included the specification and design parameters for the new fan. This required that the fan be supplied on an integral base with anti vibration mounts. The full assembly could then be installed on the skid. Fabric type expansion joints were incorporated on the inlet and outlet. A more efficient fan was selected which allowed the additional duty to be achieved within the limitations of the existing motor.

Our design provided good access for inspection/maintenace and adequate test ports for volume measurement and fan performance testing.

The upgrade has been very successful. The draught plant has the capacity to ensure that the fluid bed outlet chamber can be maintained under suction conditions at the full output of the Hot Gas Generator. The pressure drop across the vbenhturi scrubber has also been increeased and the plant emissions are at low levels, well within the Tronox licence limits. There is a vast improvement in carry over to the fan and the rewquirement for impeller cleaning has been significantly reduced.

Go to TOP: Go to SERVICES: Go to ABOUT US: Go HOME: