We can perform material and energy balances of processes.Typically in performing such analyses:
An excel model is developed for calculation of process parameters.
A sensitivity analysis is carried out on planned production changes and bottle necks are identified.
Preliminary sizing of equipment is undertaken.
Three dimensional computer models are developed.
Optimisation is carried out with feedback from stakeholders.
Revision and refinement of the modelling.
Customer approval before moving to the detailing and procurement phase.
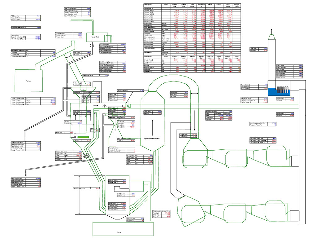
Analyses of this type have been carried out for a range of applications and customers. The Tronox Quench Design illustrates our approach and capability.
We have the expertise to specify Air and Gas Handling Systems:
Parameters for combustion sources including heat release rates, combustion intensity and refractory designs.
Mechanical collector type, required efficiency, materials of construction, lining, and discharge valves.
Wet gas scrubbing equipment including scrubber type, liquor to gas ratios, bleed-off constraints, pressure drops, control ranges and materials of construction.
Fabric filter equipment including filter type, inlet configuration, hopper angles, insulation requirements, materials of construction, air to cloth ratios, fabric polymer type and product discharge equipment.
Fan type, duty requirement, duty control, blade profile, materials of construction, stress limitations, supporting calculations, fatigue life requirements and critical speed ranges.
Stack materials, heights, stack velocities, entry configurations, drainage, sampling points, slenderness ratios, codes and lights.
Jobs where we have been contracted to supply product specifications include filter plant at OneSteel Whyalla, waste gas equipment at Tronox and our project for the Ignite H2S Plant.
We can prepare Arrangement Models and Drawings for:
Interfacing and integration of equipment.
Constraints for structural support and analysis.
Support of ductwork.
Incorporation of expansion joints.
Bill of materials for procurement.
Approval of subcontractor equipment.
Jobs where we have been contracted to supply arrangement drawings and equipment interfaces include ventilation plant at OneSteel Whyalla, scrubber, fan and stack equipment at Tronox and system design for Howden. The Tronox Scrubber Eliminator provides an insight into our capability.
We can carry out detail design of equipment which may entail:
Finite element stress analysis where required.
Detail drawings of sub assemblies including vessels, ductwork, expansion joints and structural supports.
Material specification.
Fabrication details including weld details and tolerances.
Structural drawings and interfaces.
Jobs where we have been contracted to supply arrangement drawings and equipment interfaces include equipment at OneSteel Whyalla, Tronox, Resolute Minining, Ignite Resources and Howden.
We routinely perform system analyses using excel with an underlying VBA code for calculations such as:
Gas Flows from closed metallurgical furnaces simulating gas recirculation for control, venturi pressure drops for particulate emissions, gas cooling for moisture control and gas volumes for component sizing including gas flares.
Boiler simulation for prediction of combustion conditions, steam conditions, heat transfer across the boiler (furnace, convective, radiant and economiser), conditions to gas cleaning, reagent injection, activated carbon injection and calculation of final emissions including trace elements.
Fume extraction systems including hood simulation, pressure balance and duct velocities.
Jobs where we have carried out sytem modelling and simulation include the OneSteel Whyalla fume extraction, Xstrata CMI Lydenburg Gas Scrubber Plant, Xstrata Lion Project Phase2 Gas Scrubber Plant, BHP Metalloys M14 plant Gas Scrubber Plant, Visy Gibson Island Fluid Bed Boiler and Tronox Drier and Kiln Plants.
We have commissioned plant including hazardous systems such as gas scrubbers extracting from closed metallurgical furnaces. Our approach is based on:
Strict safety standards are maintained.
Procedures are carefully drawn up.
Regular meetings and sound communication is ensured with the commissioning team.
The end user operators are involved where practical.
Cold commissioning checks of all equipment is carried out prior to hot gas.
Instrumentation loops and calibration are checked.
Emergency shut down procedures are checked.
Safety procedures, safety gear, breathing apparatus, CO monitors, communication procedures and other precautions are put in place if required.
Documentation and commissioning records are well maintained.
Jobs where we have carried out commissioning include the material feed dryer at Queensland Nickle, the Xstrata CMI Scrubber Plant, BHP Metalloys M14 plant, and the Tronox Fluid Bed Hot Gas Generator.
We are equipped for measurement of gas flows and constituents for analysis of plant performance.
On site flow, pressure and temperature measurements.
Fan testing carried out in accordance with ISO5802:2001.
Measurement of O2, CO, CO2 for combustion optimisation.
Mesurement of SO2 for dry scrubbing effectiveness.
Jobs where we have carried out performance measurements include Newmont Jundee fans, Newmont Granites fans, Oaky North Main Ventilation Fans, Munmorah Power Station, Tronox dryer/kiln fans and Visy Boiler Gibson Island dry scrubbing.